Document LTP0098 rev 2a

 

Page Location: Home > Installation > Plumbing > Plumbing Diagrams

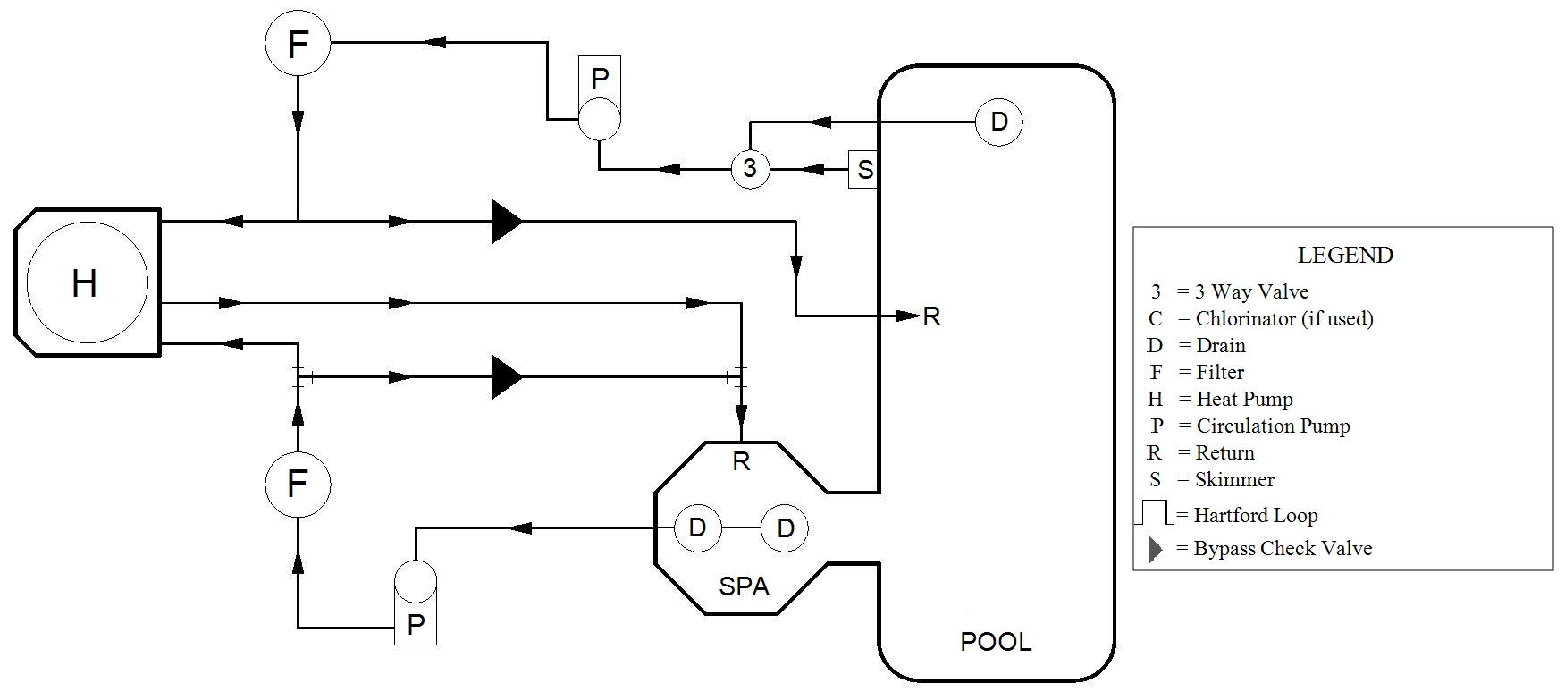
Plumbing Diagrams

Plumbing diagrams are provided in this section as a planning guide to the sequence of equipment, valves, and fittings.

  • The basic plumbing configurations for typical installations are shown.
  • If the installation does not closely follow any of the supplied plumbing diagrams, AquaCal® Technical Support is available for installation advice and guidance.

Air Source Heat Pump Plumbing Diagrams

Heat Pump with water flows equal or less than maximum listed flow rate

See "Water Flow Rates"

Heat Pump with water flows greater than maximum listed flow rate

See "Water Flow Rates"

Heat Pump with Spillover Spa (One filter Pump)

Heat Pump with Spillover Spa (Two filter Pumps)

Heat Pump with Spillover Spa (ATV Installation)

Heat Pump with Solar Panels in Plumbing Circuit

Heat Pump with Gas Heater backup

Multiple Air Source Heat Pumps